ホーム > 事業内容 > 蒸気管理システム・機器

Business 事業内容

蒸気管理システム・機器

ドレネージシステム

一般的にドレネージシステムとは、ドライヤーシリンダーへの蒸気の供給と紙乾燥の為の熱を奪われた蒸気がドレンになり、その排出をスムーズに行う一連の装置の事です。
飽和蒸気は圧力により温度が決まり、圧力が高くなる程温度も上昇し、圧力が下がれば温度も低くなる物性があります。この物性を利用し、ドライパートにおける望ましい乾燥速度を調整しながら、品質管理と共に乾燥を行ないます。

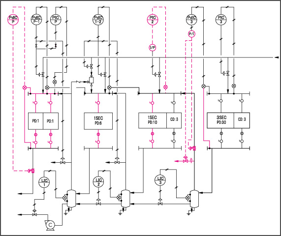
フローシート 改善前

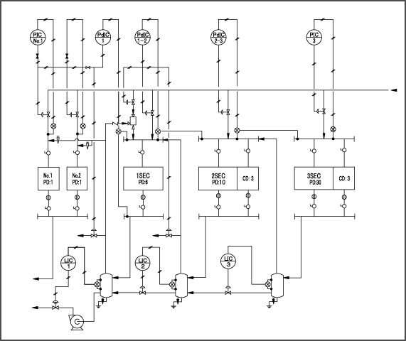
フローシート 改善後

蒸気省エネのソリューション事例はこちら


PTX型ロータリージョイント

PTX型ロータリージョイントは『より厳しい条件の為の新しいデザイン』です。

利点:①取り扱いやすい軽量設計
   ②最大20mm迄の熱膨張に適応
   ③逃げや偏角偏芯の調整できるシール設計
   ④最高抄速:2500m/min
   ⑤最高圧力:1,1MPa
   ⑥最高温度:232℃

AIシールリング

近年マシンの高速化・高圧化が進み、ロータリージョイントに過酷な条件を要求する傾向にあります。JOHNSON社はその過酷な条件に対応するため、新材質のシールリングを開発。従来品のシールリングと比べAIシールリングは2~3倍に寿命が伸び高く評価されています。
*AI=アンチモニー、融点:630,5℃


ステーショナリーサイフォン(固定式サイフォン)

抄紙機ドライヤーのサイフォンは、接続配管を付けた装置で、これによってドレン(コンデンセート)・ブロースルー蒸気ならびに非凝縮ガスをシリンダードライヤーの中から排出する装置。ドレンの流れを作り出す為には、蒸気の供給口と排出口との間に差圧(△P)が必要ですが、最近の高速マシンでは低差圧でドレンを排出することが出来ます。

新型ステーショナリーサイフォン

JOHNSONタービュレーターバーシステム

シリンダードライヤー・ヤンキードライヤー内に蒸気を入れてドライヤー表面に紙が触れる事により、ドライヤー表面に伝わった熱が紙に奪われドレンが発生します。抄速が速くなる程ドライヤーシェルにドレンが貼り付き、そのドレンが抵抗となりドライヤー表面に熱が伝わりにくく紙の乾燥ムラにつながり安定した紙乾燥が出来ません。
このような問題を解決する製品がJOHNSONタービュレーターバーです。
ドライヤー内に設置し、バーとバーの間でドレンを乱流させリミング状態を崩すことにより、ドライヤー表面に伝わる温度が高くなり乾燥効率が向上させることが出来ます。

ドレン(コンデンセート)の状態と挙動


ディスクスプリング式JOHNSONタービュレーターバー

バーの設置状況

蒸気省エネのソリューション事例はこちら

工事日記はこちらをご覧ください